Módulo de conmutación óptica MEMS 1X8
Descripción
El interruptor óptico MEMS XH-MOSW-1×8 (en adelante, interruptor óptico MEMS) es un interruptor de trayectoria óptica multicanal modularizado. Se presenta un interruptor óptico MEMS basado en accionamiento electrostático y microtecnología vertical. Gracias a sus ventajas, como su pequeño tamaño y su rendimiento rápido y estable, se utiliza principalmente en comunicaciones ópticas y sistemas de prueba.
Características
Baja pérdida de inserción y baja PDL
Bajo consumo de energía
Alta velocidad de conmutación
Insensible a golpes y vibraciones
Alta fiabilidad y estabilidad
Aplicaciones
Sistema de comunicación por fibra óptica
Prueba de componentes ópticos
Sistema de detección de fibra óptica
Monitor de canal
Interruptor óptico matricial
Presupuesto
| Parámetro | Parámetro |
| Modelo | MOSW-1XN(32) |
| Pérdida de inserción(dB) | ≤1.0 |
| Rango de longitud de onda(nm) | 1260~1650 |
| Longitud de onda de trabajo(nm) | 1310/1550 |
| Pérdida de retorno(dB) | ≥30 |
| Diafonía(dB) | ≥30 |
| PDL(dB) | ≤0.15 |
| WDL(dB) | ≤0.3 |
| Repetibilidad(dB) | ≤±0.05 |
| Vida(Times) | >109 |
| Tiempo de conmutación(ms) | ≤15 |
| Potencia de transmisión(mW) | ≤500 |
| conector(TTL/UART) | TTL /UART |
| Voltaje de operación(V/mA) | 5V/1000 (±10%) |
| Temperatura de trabajo(℃) | -5~+70 |
| Temperatura de funcionamiento(℃) | -40~+85 |
| Dimensión(mm) | 60×35×15 |
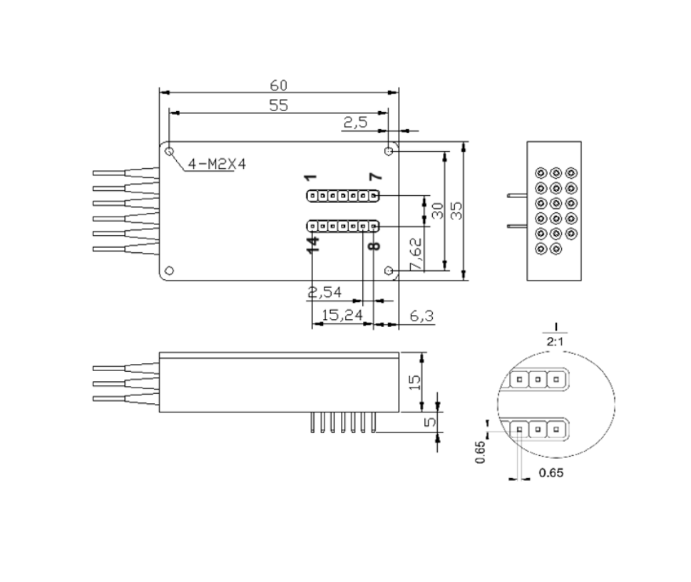
Dimensión


Comments are closed