Interruptor óptico mecânico 1×2
O interruptor óptico mecânico XH-OSW-1X2 é um dispositivo de controle de caminho óptico com a função de controlar o caminho óptico e converter o caminho óptico; ele pode realizar 2 entradas de sinal óptico e selecionar a saída de sinal de uma delas (suportando o uso bidirecional). Tem um papel importante em aplicações de comunicação óptica. O interruptor óptico é usado principalmente para monitoramento óptico múltiplo do sistema de transmissão óptica, comutação automática de várias fontes/detectores em LAN e sistema de monitoramento dinâmico multiponto de detecção óptica O sistema de teste óptico é usado para fibra óptica, dispositivos ópticos, engenharia de rede e campo para teste de cabos ópticos; instalação e comissionamento de dispositivos ópticos.
Recursos
● Baixo custo incomparável
● Baixa perda de inserção
● Isolamento de canal superior
● Alta estabilidade e confiabilidade
Formulários
● Rede Ótica
● Proteção / Restauração
Roteamento de Sinal Ótico
● Proteção do transmissor e do receptor
Route States

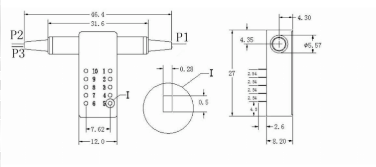
Dimensions

Route States

Dimensions


Comments are closed