SM 1X128 Interruptor óptico mecânico
Descrição de Produto
O interruptor óptico mecânico XH-OSW-1×128 é um dispositivo de controlo óptico, que tem a função de controlar o percurso óptico e converter o caminho óptico. Tem um papel importante nas aplicações de comunicação óptica. O comutador óptico é utilizado principalmente no sistema de transmissão óptica para monitorização óptica múltipla, comutação automática LAN multi-fonte/detector e sistema de monitorização dinâmica multi-ponto de detecção óptica sistema de teste óptico para fibra óptica, dispositivos ópticos, rede e engenharia de campo teste de cabos ópticos; instalação e ajuste de dispositivos ópticos.
Comodidades
Baixa perda de inserção, ampla faixa de comprimento de onda
Diafonia de canal baixo, alta estabilidade, alta confiabilidade
Tecnologia proprietária, sem cola no percurso óptico
Estão disponíveis tipos de controlo de bloqueio e não bloqueio
Parâmetro
| Parâmetro | Valores dos parâmetros |
| Modelo | XH-OSW-1×128 |
| Perda de inserção | 1.5 |
| Perda de inserção | Típ: 0,5 dB máx: 1,0 dB |
| Gama de comprimento de onda | 532 ~ 1064 nm 1260 ~ 1650 nm |
| Teste de comprimento de onda | 532/650/780/850/980nm 1310/1490/1550/1625nm |
| Perda de retorno | MM ≥ 30 dB SM ≥ 50 dB |
| Diafonia | MM ≥ 70 dB SM ≥ 70 dB |
| PDL | ≤ 0,05 dB |
| WDL | ≤ 0,25 dB |
| TDL | ≤ 0,25 dB |
| Repetibilidade | ≤ 0,02 dB |
| Vida útil | ≥ 107 |
| Tempo de comutação | ≤ 8 ms |
| Potência da transmissão | ≤ 500 mW |
| Conector | FC, LC, SC, ST |
| Controlo | TOTAL DE |
| Tensão de funcionamento | 5 V. |
| Corrente de trabalho | 500 mA |
| Temperatura de funcionamento | – 20ºC ~ 70ºC |
| Temperatura de armazenamento | – 40ºC ~ 85ºC |
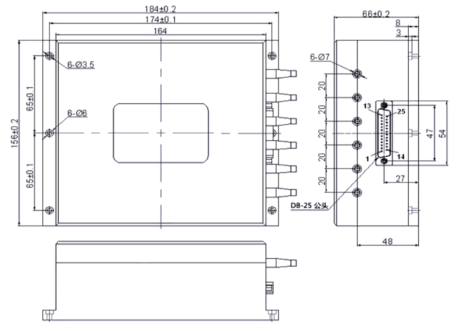
Dimensões

caminho de luz


Comments are closed